(智能)扩散硅变送器
发布者:发表时间:2020/11/12 19:11:20

工作原理/working principle-----------------------------------------------------------◆◆
|
| 过程压力通过压力传感器将压力信号转换成电信号,经差分放大器、输出放大器放大后,再经V/A转换器的转换,转换为与输入液位成线性对应关系的4~20mA标准电流输出信号,转换为压力的大小。 |
结构组成/Structural components-----------------------------------------------------◆◆
|
|
| 1表头前盖5壳体9扩散硅传感器2表头6接线端子10压帽3金属闷盖7表头后盖11锁紧螺钉4铭牌标签8传感器过度件12防爆接头 |
产品特点/Product features------------------------------------------------------------◆◆
|
| 1、准确度高、稳定性好。除进口原装传感器已用激光修正外,还对整机在使用温度范围内的综合性温度漂移、非线性进行精细地补偿,因此在使用温度范围内非线性小,温度稳定性好。2、可靠的机械保护IP65和防爆保护iaⅡCT5,可用于各种恶劣环境。3、可用于测量粘稠、结晶和腐蚀性介质。4、4~20mA DC标准电流信号输出,二线制工作,带负载抗干扰能力强。5、体积小、重量轻,安装、调试、维护、使用方便。6、选用高品质的传感器和专用V/I集成电路,外围器件少,可靠性高,维护简单轻松。7、专用HART智能通讯,性能更加优越。8、在线按键组态功能。 |
技术参数/Technical parameters-------------------------------------------------------◆◆
|
| 精度0.1%F·S 0.25% F·S 0.5% F·S测量范围-95KPa~60MPa间任选测量介质液体、气体、蒸汽存贮温度-40~125℃电源电压12~24V DC使用温度-10~80℃防腐材料316L不锈钢温度影响<0.02%/℃负载电阻≤750Ω过载能力量程的1~2倍机械保护IP65湿度≤95%RH输出二线制 4~20mA DC关联设备EXZ231B型安全栅重量<1Kg零点温度系数小于0.02%/℃满程温度系数小于0.02%/℃电源电压24V DC防爆等级iaⅡCT5 |
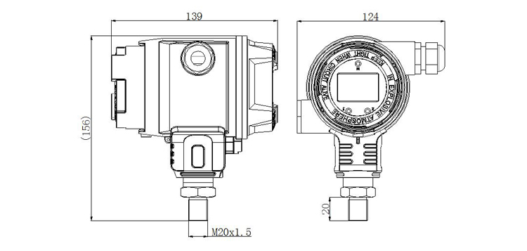
外形尺寸/Overall dimensions----------------------------------------------------------◆◆
产品选型/product selection------------------------------------------------------------◆◆
|
| 1.选型图谱 |
| 无S代号名 称模拟型智能型HH308扩散硅压力变送器 代号设计序号 A1扩散硅传感器 B1陶瓷传感器 C1齐平膜传感器 D1卫生型传感器 代号压力类型 A绝对压力 G表压 S密封表压 代号现场显示 1无 23 1/2位LCD 33 1/2位LED 代号测量范围 10~35KPa 20~100KPa 30~200KPa 40~350KPa 50~700KPa 60~2.0Ma 70~3.5Ma 80~7Ma 90~20Ma 00~60Ma 代号精度 A0.1%F·S B0.25%F·S C0.5%F·S 代号安装方式 1M20x1.5 21/2NPT 3法兰式(法兰,膜片可选) 代号防爆方式 N普通不防爆 I本安防爆 E隔离防爆 |
|
| 2.选型须知 |
| 1、测量压力范围;2、探头型号;3、压力类型:(表压、绝压); 4、精度等级:(0.5、0.25、0.1);5、介子温度:0-10~80°C; 6、显示形式:无显示、数字显示; 7、安装方式:M20x1.5(螺纹)、法兰;8、供电方式:24V DC;9、输出信号:4-20mA;10、防护等级:11、防爆防护:12、其他配件 |
安装要求/Installation requirements--------------------------------------------------◆◆
|
| 1.安装事项1、小于0.03MPa垂直安装、以免影响测量精度;2、安装过程中应使用扳手从变送器底部的六角螺帽处将变送器拧紧,避免直接旋动变送器上部进而造成连线断开。 2.注意事项1.当收到产品时请检查包装是否完好,并核对变送器型号和规格是否 与您选购的产品相符;2.禁止测量与不锈钢不相兼容的介质;3.确保电源供电电压符合探头供电要求,电源的正、负与产品的正、负接线对应,确保压力源最高压力在该产品的量程范围内;4.在压力测量过程中,应缓慢加压和卸压,避免瞬间加至最高压或降至低压;5.在拆卸探头时确保设备已断开压力源,以免介质喷出发生事故。6.本产品非防爆,在防爆区使用会引起严重的人身伤害和重大的物质损失;7.传感器属于精密器件,用户在使用时请不要自行拆解,更不能触碰膜片,以免造成产品损坏; |
接线指南/Wiring guide-----------------------------------------------------------------◆◆
常见故障及解决方法/Common faults and Solutions------------------------------------◆◆
|
| 故障现象原因分析排除方法变送器无输出信号变送器未供电给变送器接线图折正确供电接线错误在压力恒定时输出不规则跳跃变送器外壳未接地使用屏蔽线缆且屏蔽层接地变送器外壳与大地可靠连接现场射频干扰较强未使用屏蔽线缆变送器未接压力时,对应输出值不对变送器未工作在其要求的环境下将变送器移动规定的环境下工作或采取措施使环境负荷要求变送器输出与测量压力不符供电不正确使供电电压为9-36VDC外接负载过大调整外接负载 |
附件尺寸/Accessory size-------------------------------------------------------------◆◆
|
| 焊管接头底座注:螺纹部分常规是M20x1.5, 可根据客户要求定制 |