
![]() |
产品概述/Product overview----------------------------------------------------------◆◆ |
| 电容式差压变送器及远传差压变送器是差压变送器中的新产品。广泛用于石油、化工、冶金、电力、轻工、建材、科研等企事业单位,实现对各种流体压力的测量,配用节流装置可检测液体、汽体和蒸汽,以及粘性、沉淀性或易产生结晶颗粒的流体的流量,也可以检测差压,表压和分界面,还可以检测开口容器或受压容器内液体的液位。 |
结构组成/Structural components-----------------------------------------------------◆◆ |
![]() |
| 1.表头前盖 2.表头 3.金属闷盖 4.壳体 5.铭牌标签 6.防爆接头 7.接线端子 8.表头后盖 9.放泄阀 10.螺栓 11.夹板 12.传感器密封圈 13.传感器 14.螺母 15.焊管接头组件 |
产品特点/Product features-----------------------------------------------------------◆◆ |
| ◆体积小、重量轻。因为它零部件少,结构简单,而且差压、位移、电容信号的变换连接在一起,大大压缩了体积,减小了重量。 ◆精度高。由于无机械传动和磨擦,而且电容值相对变化量较大,所以精度容易做得高。 ◆可靠性好。由于可动件少,测量部件为全封闭焊接的固体结构,电子元器件经过严格的老化筛选,并采用特珠的接插体,从而大大提高了变送器的可靠性。 ◆量程可调范围大,而且带有正、负迁移结构。量程可调范围大于6:1,量程零点外部连接可调。 ◆过载性能好。传感器内部采用了结构简单、性能可靠的凹弧面过载保护结构。 ◆具有可调阻尼装置,可以用于脉动流体的测量。 ◆变送器针对隔爆型和本质安全型采用于专用电路,该电路最大输出小于30mA。 ◆变送器可以附加100%指针、LCD液晶、LED数码管显示,现场读数十分方便。 ◆变送器采用4~40mA DC标准电流信号输出,二线制工作,带负载、抗干扰能力强。 |
产品参数/Product parameters-------------------------------------------------------◆◆ |
| 1、主要技术参数名称差压变送器适用场合液体、气体、蒸汽测量范围0-10Mpa精度等级0.2%、0.1%、0.5%供电电压24V DC输出信号4-20mA、HART环境温度-20~55℃相对湿度5%~90%膜片材质316L、哈氏合金防护等级IP65 |
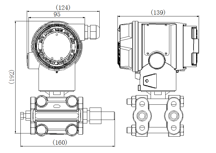
产品外形尺寸/Product dimensions-----------------------------------------------------◆◆ |
|
量程及范围极限/Range and range limits------------------------------------------------◆◆ |
| 标称量程最小量程量程下限(LRL)量程上限(URL)静压范围单向高压端过载单向低压端过载6kPa200Pa-6kPa6kPa25MPa25MPa16MPa40kPa400Pa-40kPa40kPa40MPa25MPa16MPa250kPa2.5kPa-250kPa250kPa40MPa25MPa16MPa1MPa10kPa-500kPa1MPa40MPa25MPa16MPa3MPa30kPa-500kPa3MPa40MPa25MPa16MPa10MPa100kPa-500kPa10MPa40MPa25MPa16MPa 设置高、低限值要求:低限值(LRV )与高限值(URV )在量程上下限范围内取值,当|URV|≥|LRV |时,须满足|URV|≥最小量程;当|URV|≤|LRV|时,须满足|LRV|≥最小量程 |
安装和使用/Installation and use-------------------------------------------------------◆◆ |
![]() |
![]() |
| 安装注意事项/Installation precautions-----------------------------------------------◆◆①防止变送器与腐蚀性或过热的补测介质相接触。 ②要防止渣滓在导压管内沉积。 ③导压管要尽可能短一些。 ④两边导压管内的液柱压头应保持平衡。 ⑤导压管应安装在温度梯度和温度波动小的地方。 ⑥防止引压管内结晶或低温结冰。 ⑦请勿将排气/排液阀全部拧开,以免密封钢珠掉落! |