  |
工作原理/working principle---------------------------------------------◆◆ |
| Focbar(智能)单晶硅压力变送器采用世界上先进的单晶硅压力传感器技术与专利封装工艺,精心研制出的一款国际领先技术的超高性能压力变送器。单晶硅压力传感器位于金属本体最顶部,远离介质接触面,实现机械隔离和热隔离;玻璃烧结一体的传感器引线实现了与金属基体的高强度电气绝缘,提高了电子线路的灵活性能与耐瞬变电压保护的能力。这些独创的单晶硅压力传感器封装技术确保了Focp(智能)单晶硅压力变送器可从容应对极端的化学场合和机械负荷,同时具备极强的抗电磁干扰能力,足以应对苛刻的工业环境应用,是名副其实的隐形仪表。 |
结构组成/Structural components--------------------------------------◆◆ |
 |
| 1.表头前盖 2. 前盖镜片 3.表头 4.壳体 5.铭牌标签 6.防爆接头 7.接线端子 8.表头后盖 9.放泄阀 10. 螺栓 11.夹板 12.传感器密封圈 13.传感器 14.螺母 15.焊管接头组件 |
产品特点/Product features-------------------------------------------◆◆ |
| ◆先进的单晶硅压力传感器技术与专利封装工艺,精心研制出的一款国际领先 技术的高性能压力变送器 ◆双膜片过载结构,从容应对高过载考验 ◆用集成电路与表面封装技术的信号变送模块,性能强大的24位ADC实现高精 度与快速应答 ◆显示模块可355°旋转,按键参数操作功能友好 ◆按键参数设置不影响电气防护等级,更安全、更快捷 ◆高性能Focbar单晶硅压力变送器,国际领先技术与中国智造的完美结合 ◆坚固优质的不锈钢过程法兰,臻厚的加强结构,坚不可摧,高静压、高过载 的强大保障 |
产品参数/Product parameters----------------------------------------◆◆ |
| 1、主要技术参数名称单晶硅差压变送器适用场合液体、气体、蒸汽测量范围200pa-10Mpa精度等级±0.075%量程上限,可选±0.05%量程上限供电电压24V DC输出信号4-20mA、4-20Ma+HART工作温度-40~85℃介质温度-40~120℃膜片材质316L、哈氏合金C防护等级IP67 |
产品外形尺寸/Product dimensions-------------------------------------◆◆ |

|
量程及范围极限/Range and range limits----------------------------------◆◆ |
| 标称量程最小量程量程下限(LRL)量程上限(URL)静压范围单向高压端过载单向低压端过载6kPa200Pa-6kPa6kPa25MPa25MPa16MPa40kPa400Pa-40kPa40kPa40MPa25MPa16MPa250kPa2.5kPa-250kPa250kPa40MPa25MPa16MPa1MPa10kPa-500kPa1MPa40MPa25MPa16MPa3MPa30kPa-500kPa3MPa40MPa25MPa16MPa10MPa100kPa-500kPa10MPa40MPa25MPa16MPa 设置高、低限值要求:低限值(LRV )与高限值(URV )在量程上下限范围内取值,当|URV|≥|LRV |时,须满足|URV|≥最小量程;当|URV|≤|LRV|时,须满足|LRV|≥最小量程 |
| 1、性能测试标准及基准条件测试标准:GB/T28474/IEC60770;基准条件:从零点开始的量程;硅油充液,316L不锈钢隔离膜片,4-20mA模拟输出,端基微调至设定值2、性能指标总体性能包括并不限于【参考精度】、【环境温度影响】、【静压影响 】、和其它影响的综合误差 典型精度:±0.075%量程上限 年稳定性:±0.2%量程上限/5年3、参考精度依据标准和测试基准条件,包括线性(BFSL)、迟滞、重复性。校准温度:20℃±5℃ |
| 线性输 出精度TD≤10(注1)±0.075%量程上限标称量程 6kPa、40kPa 250kPa、1MPa 3MPa、10MPa10 | |
| 平方根输出精度为以上线性参考精度的1.5倍 注1:TD(Turn down)是指量程比,当|URV|≥|LRV|时,TD=URL/|URV|当|URV|≤|LRV|时,TD=URL/|LRV|4、环境温度影响在-20-80℃范围内总影响量 ±(0.1+0.1TD)%量程上限5、静压影响零点影响:±0.15TD%量程上限/10MPa,满量程影响:±0.2%量程上限/10MPa6、电源影响当供电电压在10.5/16.5-55VDC内变化, 其零点和量程的变化应不超过 ±0.005%量程上限/V7、安装位置影响任意位置安装,最大不超过400Pa可通过清零功能校正8、振动影响按GB/T1827.3/IEC61298-3测试,<0.1%量程上限9、输出信号二线制4-20mA,用户可选线性输出或平方根输出,数字过程变量叠加于4-20mA信号上,适用于任何符合HART协议的主机 |
规格参数/Specification parameter------------------------------------◆◆ |
| 1、时间指标总阻尼时间常数:等于电子线路部件和传感膜盒阻尼时间常数之和电子线路部件阻尼时间:0-100S 范围可调传感膜盒(隔离传感膜片和硅油填充液)阻尼时间:≤0.2S断电后上电启动时间:≤6S数据恢复至正常使用时间:≤31S |
| 2、重量净重:约4kg(无安装支架,过程连接配件) |
| 3、环境条件净重:约4kg(无安装支架,过程连接配件) |
| 使用环境温度范围:-40-85℃,一体化LCD显示:-20-70℃ |
| 储存环境温度范围:-40-110℃,一体化LCD显示:-40-85℃ |
| 测量介质温度范围:充硅油传感器:-40-120℃,充氟油传感器:-10-80℃ |
| 使用环境湿度范围:5-100%RH@40℃ |
| 防护等级:IP67 |
供电电源/Power supply-----------------------------------------------◆◆ |
| 项目操作条件标准型/隔爆型10.5-55VDCHART通讯协议16.5-55VDC ,通讯时负载电阻250Ω负载电阻0-2119Ω为工作状态,250-600ΩHART通讯传输距离<1000米耗电量≤500mW@24VDC,20.8mA |
电源及负载条件/Power supply and load conditions-------------------------◆◆ |
 |
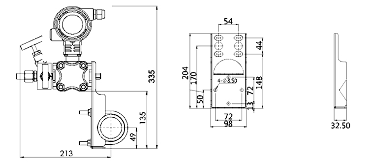
安装和使用/Installation and use--------------------------------------◆◆ |
| 1、管装弯支架 (B1)安装尺寸图(单位:mm) |
 |
| 2、板装弯支架(B2)安装尺寸图(单位:mm) |
 |
| 3、管装平支架(B3)安装尺寸图(单位:mm) |

|